ADG 105 Двухколенный поворотный фитинг с шарикоподшипником
Предзаказ

ADG 105 Двухколенный поворотный фитинг с шарикоподшипником

Нет в наличии
Описание

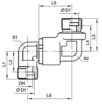
Конус EO 24° / Конус EO 24°

Код заказа Серия D1 DN L1 L2 L3 L4 L5 L6 S1 S2 Масса, гр
ADG105/12SOMD S 12 9,5 39,5 26,5 43 21,5 38 81 24 29 384
ADG105/16SOMD 16 9,5 39,5 25,5 44 24,5 43 87 24 33 377
ADG105/20SOMD 20 16 56,5 39,5 61 26,5 48 109 32 37 1015
ADG105/25SOMD 25 16 56,5 38 62 30 54 116 32 42 1034
ADG105/30SOMD 30 26 65 44,5 71 35,5 62 133 50 49 2344
ADG105/38SOMD 38 26 65 42 73 41 72 145 50 57 2485
Показать полностью Свернуть
Напишите нам
Запрос успешно отправлен!
Имя *
Телефон *
Сообщение *
Предзаказ
Предзаказ успешно отправлен!
Имя *
Телефон *
Заявка